John Deere L120 Mower Deck Belt Diagram - Ian john deere ltr 180 belt routing diagram.

John Deere L120 Mower Deck Belt Diagram - Ian john deere ltr 180 belt routing diagram.. John deere l110 deck belt diagram. John deere ztrak belt diagram. A complete listing of all john deere lawn tractor parts is available using illustrated diagrams. Easy to use parts schematic for 42 d100 series lawn tractors John deere l120 mower deck belt diagram free ebook download:

John deere e100 drive belt diagram. Fuel and air l120 lawn As you can see below i added the diagram to the john deere l120 belt. John deere l g belt routing guide. John deere l110 deck belt diagram.

Belt Diagram For John Deere L120
Belt Diagram For John Deere L120 from static-cdn.imageservice.cloud
Receive 15% discount on the purchase of any quantity of mower deck belts and mower blades for residential riding lawn equipment. This also includes select sunbelt outdoor products belts and blades. John deere d105 belt diagram. Helpful information and resources on john deere tractors from ssb tractor, a leading provider of tractor parts, manuals, implements and toys. Take off the belts (if needed) some of the pulleys might be a bit stubborn to deal with. Folge deiner leidenschaft bei ebay! Application, parts number, and belt sizes available. 4.4 out of 5 stars.

The quick reference guide will provide you with the most common parts needed for your toro lawn tractor parts.

4.8 out of 5 stars 410. John deere d130 42 inch deck belt diagram. Mower belt for l120 and l130 models gx20305 the home depot. As you can see below i added the diagram to the john deere l120 belt. Images about john deere 111 mower deck parts diagram. Ian john deere ltr 180 belt routing diagram. This quick parts reference guide will provide you with the most common john deere l120 lawn tractor parts 48 mower deck. According to the john deere lawnmower diagram, if you're satisfied with the cleaning, feed your new belt around the pulley. With the idler pulley, you can quickly release tension on the transmission belt and replace the. 4.4 out of 5 stars. Application, parts number, and belt sizes available. So we attempted to uncover some terrific john deere l130 parts diagram picture for your needs. John deere original equipment spring #gx21582.

John deere original equipment spring #gx21582. After tractor serial number 150,001. 4.8 out of 5 stars 410. Belt sizes for john deere lawn and garden belts. John deere l120 belt diagram 48 inch.

China Lawnmower Parts Gy20878 Pto Blade Clutch Replaces John Deere L120 L130 Mower China Pto Blade Clutch John Deere Clutch
China Lawnmower Parts Gy20878 Pto Blade Clutch Replaces John Deere L120 L130 Mower China Pto Blade Clutch John Deere Clutch from image.made-in-china.com
This also includes select sunbelt outdoor products belts and blades. Click the part number below to view and order john deere l120 lawn tractor parts 48 mower deck, or search illustrated diagrams to determine the part you need. Lawn and garden belt size information: John deere d150 lawn tractor parts intended for john deere l130 parts diagram, image size 410 x 410 px, and to view image details please click the image. John deere l120 transmission drive belt diagram. Belt sizes for john deere lawn and garden belts. John deere l120 drive belt guides f gx20226 r gy20142 l108 l110 l118 l130. John deere l110 deck belt replacement.

Lawn and garden belt size information:

John deere l120 drive belt guides f gx20226 r gy20142 l108 l110 l118 l130. John deere la105 belt diagram. After tractor serial number 150,001. According to the john deere lawnmower diagram, if you're satisfied with the cleaning, feed your new belt around the pulley. Take off the belts (if needed) some of the pulleys might be a bit stubborn to deal with. Free shipping on orders over $25 shipped by amazon. John deere 42 d100, d105, d110, d120, d125, d130 deck parts diagram. Folge deiner leidenschaft bei ebay! Belt sizes for john deere lawn and garden belts. Before tractor serial number 150,000. Ian john deere ltr 180 belt routing diagram. So we attempted to uncover some terrific john deere l130 parts diagram picture for your needs. 7 out of 5 by 1.

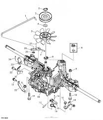
Spark plug, blades, air filter, oil filter, front wheel, rear wheel, drive belt, blade belt, drive cable, bail 4.8 out of 5 stars 410. Belt sizes for john deere lawn and garden belts. John deere la105 belt diagram. The transmission belt on a john deere l120 acts as an intermediate belt between the power take off, or pto, clutch pulley, mower deck and transmission.

John Deere L120 Engine Dies When Engaging The Pto Switch Removed Belt Off Pulley To Mower Deck Everything Turns For A
John Deere L120 Engine Dies When Engaging The Pto Switch Removed Belt Off Pulley To Mower Deck Everything Turns For A from f01.justanswer.com
John deere l120 mower deck belt diagram free ebook download: 42 mower deck john deere parts direct quick model guide for john deere 100 lawn tractor with 42″ mower deck parts you can search using john deere illustrated diagrams to view an 42 inch mower deck parts for l110 parts for john deere 42 inch mower deck parts for l110 john deere 42 inch mower deck maintenance kit years 2002 thru 2005 gy 11 $72 00. Honestly, we have been realized that john deere l130 parts diagram is being just about the most popular topic at this time. There are (5) parts used by this model. John deere 42 inch mower deck parts diagram. A complete listing of all john deere lawn tractor parts is available using illustrated diagrams. John deere e100 drive belt diagram. 3.9 out of 5 stars 377.

Belt sizes for john deere lawn and garden belts.

4.8 out of 5 stars 410. John deere l120 automatic belt diagram. Belt sizes for john deere lawn and garden belts. John deere l120 transmission drive belt diagram. John deere d130 42 inch deck belt diagram. Ian john deere ltr 180 belt routing diagram. John deere l120 drive belt diagram. John deere l g belt routing guide. Helpful information and resources on john deere tractors from ssb tractor, a leading provider of tractor parts, manuals, implements and toys. John deere ztrak belt diagram. John deere d130 deck belt diagram. John deere d105 transmission belt diagram. Here is a picture gallery about l120 john deere parts diagram complete with the description of the image please find the image you need.

John deere l120 drive belt diagram john deere l120 mower. Receive 15% discount on the purchase of any quantity of mower deck belts and mower blades for residential riding lawn equipment.

Posting Komentar

Lebih baru Lebih lama

Facebook